香港宝典全年资料大全-全年资料免费大全
网站首页
关于我们
产品中心
新闻中心
选型参数
联系我们
当前位置 :
主页
>
新闻中心
>
公司新闻
>
罗茨鼓风机的安装结构图大全!
点击次数:
142
更新时间2019-01-12 【
关闭
】
分 享:
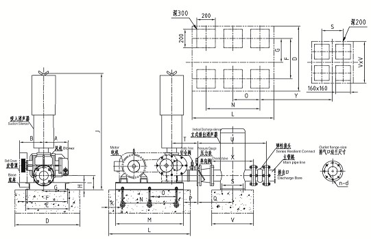
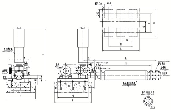
今天本章主要与大家说下在罗茨鼓风机的安装中整体的系统的如何布置!一般在日常的使用中,我们多数是按卧式结构的安装,整体像一个L型的形状!对于安装空间有限的用户,可以设计成密集型式的,这样能够节省一点空间,就是将进出口的消音器并排横放!这样能够有效的减少风机的长度距离。密集结构中,还有一种就是出口的地方加一个弯头让出口的消音器竖放安装这样也可以有效的降低使用空间!
1.系统要素
(1)罗茨鼓风机。作为系统或某个局部系统的气体动力源,在工艺布置中占据核心地位。管路的铺设耐件的配套,以及其他相关设备的选用,都必须考虑鼓风机的要求与影响。
(2)消声器。通常安装在鼓风机进、排气口位置,以降低进排气管路中的噪声。远离鼓风机安装时,最好对鼓风机与消声器之间的连接管道作隔声处理。
(3)弹性接头。安装在鼓风机与管道之间,以防止鼓风机的振动传人管路系统和便于管路联接。常用类型有可曲挠合成橡胶接头和波纹伸缩节。
(4)空气过滤器。通常安装在鼓风机进气口之前,以控制进人鼓风机的空气含尘量。根据现场条件,可以将过滤器与进气消声器制成一体,也可将过滤器安装在进气消声器前面,甚至安装到设在室外的吸气口上。
(5)阀门。通常在鼓风机排气管路上配置安全阀、逆止阀、闸阀,有的还配置手动放空阀,在真空泵进气管路上配置真空安全阀。安全阀应尽量靠近鼓凤机(或真空泵),逆止阀可以装得稍远一点,闸阀在鼓风机启动及工作时应全开。此外,冷却水路、润滑油路上通常也配置-定数量的控制阀。
(6)配管。一般按鼓风机的口径确定配管直径。同时,为了减少气流阻力损失,弯管曲率半径不宜过小,奇头数不宜过多。
(7)压力表(或真空表)。通常在鼓风机进、排气口位置安装压力表(或真空表),以便对鼓风机运行状况进行监测。
(8)减振器。如果是高架安装,例如鼓风机安装在楼板上,一般需要使用减振器进行隔振。将减振器于鼓风机与楼板之间,要求各减振器承载均匀,压缩量基本相同。
(9)隔声罩。为了控制鼓风机运行时向周围环境辐射噪声,通常使用一个能吸声和隔声的罩于将鼓风机(组)翠住。
(10)启动柜。用于减弱电机起动电流对电网的冲击和改善鼓风机起动时的平稳特性,通常根据电机容量于以配备。
2.布置方式
鼓风机的用途很广,系统布置方式很多,为了方便用户能够直白的了解每种安装方式,小编为您整理出了各种连接方式的视图!
上一篇:罗茨鼓风机实际应用案例介绍3
下一篇:厂家指导罗茨风机风量调节方法!
关于我们
产品中心
新闻中心
选型参数
联系我们
香港宝典全年资料大全
联系:李经理
电话:15508667513
地址:山东省章丘市城东工业园区
邮箱:
[email protected]
香港宝典全年资料大全