香港宝典全年资料大全-全年资料免费大全
网站首页
关于我们
产品中心
新闻中心
选型参数
联系我们
当前位置 :
主页
>
新闻中心
>
公司新闻
>
密集型罗茨鼓风机的结构和优势!
点击次数:
51
更新时间2019-03-18 【
关闭
】
分 享:
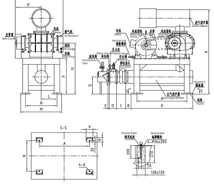
今天我们来给大家说一下在罗茨鼓风机中,一个比较省空间的,体积比较小的风机,这个就是密集型罗茨鼓风机!与常规的结构和尺寸不同,密集型结构的风机,从高度和长度上有将风机压缩到了一个非常节省空间的地步!尤其是将进气处的消声筒和排气口的消音筒横至在了同一个水平面,这样大大的节省了安装的空间!下面我们来给大家以图作为参考,了解密集型风机的特点。
上面是为大家展示的实物图!下面小编给大家整理的是每个型号的尺寸图纸!
接下来我们给大家说下密集型和常规型的有什么区别,不同结构上有什么优势!其中先来说下密集型的特点主要是在安装上面节省空间,而在风量,风压等设备性能参数上变化不大,基本上与常规的风机的是一样的!主要就是因为有的用户安装的空间有限,所以为这类型的用户设计出的这种比较省空间的结构!在其工作的原理上罗茨风机都是一样的。在价格上要比常规的略高一点点。具体请联系专业的生产厂家。
上一篇:三叶罗茨风机卡死转不动了是什么原因?
下一篇:罗茨鼓风机的出气压力和水位深度有什么关系?
关于我们
产品中心
新闻中心
选型参数
联系我们
香港宝典全年资料大全
联系:李经理
电话:15508667513
地址:山东省章丘市城东工业园区
邮箱:
[email protected]
香港宝典全年资料大全