
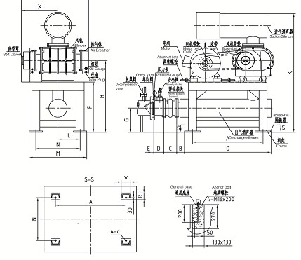
| 型号 | 口径 | A | B | C | D | E | F | G | H | J | K | L | M | N | O | X | R | V |
| CSR-50MJ | 50A | 380 | 90 | 105 | 120 | 19 | 450 | 240 | 578 | 450 | 970 | 125 | 320 | 200 | 560 | 185 | 90 | 100 |
| CSR-65MJ | 65A | 450 | 100 | 115 | 130 | 19 | 480 | 240 | 615 | 500 | 1050 | 140 | 360 | 240 | 650 | 205 | 90 | 100 |
| CSR-80MJ | 80A | 500 | 110 | 135 | 140 | 19 | 500 | 250 | 680 | 530 | 1150 | 150 | 380 | 260 | 700 | 220 | 90 | 100 |
| CSR-100MJ | 100A | 540 | 110 | 150 | 140 | 19 | 520 | 265 | 707 | 600 | 1200 | 200 | 490 | 370 | 780 | 260 | 90 | 100 |
| CSR-125MJ | 125A | 600 | 120 | 165 | 150 | 21 | 560 | 280 | 777 | 710 | 1380 | 215 | 490 | 370 | 860 | 295 | 90 | 100 |
| CSR-150MJ | 150A | 760 | 130 | 180 | 150 | 24 | 620 | 340 | 881 | 860 | 1565 | 250 | 610 | 470 | 1060 | 375 | 90 | 120 |
| CSR-175MJ | 150A | 850 | 130 | 180 | 150 | 24 | 620 | 340 | 881 | 950 | 1565 | 320 | 720 | 580 | 1150 | 470 | 90 | 120 |
| CSR-200MJ | 200A | 1050 | 150 | 190 | 160 | 29 | 750 | 380 | 1095 | 1080 | 1920 | 340 | 775 | 640 | 1400 | 525 | 90 | 140 |
| CSR-250MJ | 250A | 1340 | 160 | 230 | 250 | 30 | 900 | 400 | 1320 | 1258 | 2300 | 460 | 970 | 800 | 1900 | 608 | 90 | 180 |
| CSR-300MJ | 300A | 1340 | 160 | 245 | 250 | 40 | 950 | 420 | 1460 | 1433 | 2480 | 375 | 970 | 800 | 1900 | 756 | 90 | 180 |