微孔增氧机每亩成本多少钱?
昶盛风机网站小编来给大家啊说说,在水产养殖上每亩设计微孔增氧的成本在多少,这样用户就能够有一个心里了解!我们针对一亩来说下,一般情况下一亩需要放4个微孔曝气盘,每个气盘是22元,这个就一共是88元!然后就是电机的功率,这个平均一亩用个0.3kw-0.35kw的,这个需要从整体的曝气面积来看!经过初步的预算一亩成本下来在200元左右!成本并不是很高,同时微孔增氧也是目前比较流行的增氧方式!效果很不错

下面小编来给大家说一下什么是增氧机六开三不开?这个就是在增氧机分时段开启的一种经验方法,用户可能都会自己根据池子内的养殖情况,以及天气的情况选择适合的时间段来进行增氧。在这里我们使用的罗茨增氧机,专业名称叫罗茨风机,那么什么叫罗茨风机?罗茨风机的作用是什么,对于没有使用过的用户来说可能还不是很了解。罗风机的特点就是风量大,压力高是水产养殖业增氧用的必备设备!其工作原理主要就通过电机的传动,将两个转子也就是三叶轮运转进行空气的压缩,排出!压缩的空气为清洁的空气。同时每分钟排出去的风量是固定的,这也是保障增氧效果的前提。
对于10亩池塘应该用多大的罗茨风机增氧,我们也给用户来简单的说一下,针对这个养殖的面积,一般采用CSR65型号的风机比较多,电机功率一般选择2.2kw,不过在配电机的时候要看用户的水位深度,根据水压来选择电机功率的大小。
如果是供应30亩用多大罗茨增氧机,小编就推荐客户选择CSR80型号的罗茨增氧机,这个带30亩是有余量的,不过面对高密度养殖的用户就需要采用CSR100型号的了。
若是您的养殖面积在50亩用多大罗茨增氧机,这个我们推荐用户可以选择一个CSR125型号的风机来带,具体在设计和供应上有不了解的可以电话联系我们哦,昶盛风机专注水产养殖增氧十五年经验丰富技术成熟!
大多数用户初次罗茨风机哪个品牌好?因为针对水产养殖增氧的风机,对于风机的技术要求不高,建议用户选择昶盛风机就够用,昶盛风机在质量上也比较耐用,使用寿命长久!公司在罗茨风机的制造上已经有了十五年的历史,相比一些后起之秀,昶盛风机性能更为稳定。
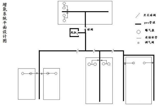
下面是小编为大家整理的虾塘底增氧安装图,用户可以参数案例进行自己的池塘的设计,如果在增氧上的设计遇到不了解的可以联系我们!专业的技术人员为您指导。
