

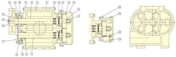
| NO | 名称 | 材质 | 数量 | NO | 名称 | 材质 | 数量 | NO | 名称 | 材质 | 数量 |
| 1 | 机壳 | HT200 | 1 | 10 | 驱端密封圈 | 丁晴胶 | 2 | 19 | 轴套 | 45 | 1 |
| 2 | 叶轮 | HT200 | 2 | 11 | 轴承套筒 | 45 | 2 | 20 | 端盖 | A3 | 1 |
| 3 | 主动轴 | 45 | 1 | 12 | 主动轴承压盖 | HT200 | 1 | 21 | 平键 | 45 | 1 |
| 4 | 从动轴 | 45 | 1 | 13 | 从动轴承压盖 | HT200 | 1 | 22 | 丝堵 | 35 | 1 |
| 5 | 驱端侧板 | HT200 | 1 | 14 | Z形密封圈 | 丁晴胶 | 1 | 23 | 游标 | 1 | |
| 6 | 齿端侧板 | HT200 | 1 | 15 | 齿轮 | SCM435 | 2 | 24 | 排气体 | 1 | |
| 7 | 从动轴承 | SUJ2 | 2 | 16 | 齿轮止动垫圈 | A3 | 2 | 25 | 黄油杯 | C3604 | 2 |
| 8 | 主动轴承 | SUJ2 | 2 | 17 | 齿轮地址螺母 | SS400 | 2 | 26 | 齿轮箱密封垫 | 青稞纸 | 1 |
| 9 | 齿端密封圈 | 丁晴胶 | 2 | 18 | 齿轮箱 | HT200 | 1 |